氧气含量怎么测更精准?这款气体分析仪给你答案!
想要精准监测氧气含量?AGP系列,专氧气含量气体分析仪为精细化工反应釜、密闭系统氮封及废气处理前设计,安全高效,值得信赖!
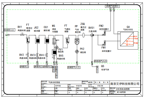
在精细化工、密闭系统氮封保护及废气处理前等关键环节中,氧气含量的精准监测是确保安全生产、提升工艺效率的重中之重。那么,如何高效、准确地获取这些场景下的氧气含量数据呢?答案就是——AGP系列氧气含量气体分析仪!

精细化工反应釜的守护神
在精细化工领域,反应釜内的氧气含量直接影响着化学反应的速率与产物质量。AGP系列中的AGP500型号,专为离心机反应釜设计,能够实时监测氧含量,一旦超标立即预警,有效防止因氧气过量引发的安全事故,为精细化工生产保驾护航。其高精度传感器与智能算法结合,确保了数据的准确性与及时性。
密闭系统氮封的得力助手
对于需要氮封保护的密闭系统而言,氧气含量的微小变化都可能对系统造成严重影响。AGP系列氧气含量气体分析仪,凭借其灵活量程与定制预处理功能,能够轻松适应不同密闭系统的需求,实现氧气含量的连续监测,确保系统始终处于最佳氮封状态,有效延长设备寿命,降低维护成本。
废气处理前的精准把关
在废气处理过程中,氧气含量的准确掌握是优化处理效果、减少能耗的关键。AGP系列氧气含量气体分析仪,能够在废气处理前阶段提供精准的氧气含量数据,帮助操作人员及时调整处理参数,提高处理效率,同时减少不必要的能源消耗,实现经济效益与环境效益的双赢。
AGP系列氧气含量气体分析仪,不仅功能强大,而且操作简便,维护方便。无论是AGP200/AGP300的灵活量程与多种联锁保护,还是AGP500的专为反应釜设计的超标预警功能,都体现了其对不同应用场景的深刻理解与精准适配。
选择AGP系列氧气含量气体分析仪,就是选择了安全、高效与可靠。在精细化工反应釜、密闭系统氮封保护及废气处理前等关键领域,它将成为您不可或缺的得力伙伴。
南京艾伊科技一体化解决方案和气体检测分析仪,粉尘检测仪,气体检测报警仪,氧含量分析仪,可燃气体检测仪等.生产,销售,研发,售后一条龙科技服务商. 咨询热线:400-025-9821
同类文章排行
- 氧气含量怎么测更精准?这款气体分析仪给你答案!
- 运氢安全与品质双保障?氢气纯度分析仪破解运输监测痛点
- 储氢安全如何保障?氢气泄漏分析仪破解三大场景监测难题
- 工业制氢如何精准控质?氢气浓度分析仪选型指南
- 电化学式氧分析仪-制药行业反应釜与洁净室的应用
- 电力安全新标配:激光氧在线分析仪如何破解行业监测难题?
- 冶金安全新利器:激光氧在线分析仪如何精准护航?
- 化工安全新选择:GDS气体报警系统如何应对RTO焚烧炉挑战?
- 化工厂安全防线:GDS气体报警系统如何筑起储罐区“防护墙”?
- 双锥干燥机氧分析仪应用:激光技术如何破解高风险干燥难题?
最新资讯文章
您的浏览历史






